Software Acquisition Events

Software Acquisition Events are only accessible via SDK- these are not available in Solis, iQ or other software but may be used internally. Refer to the SDK3 manual for further information on configuration of Software Acquisition Events.

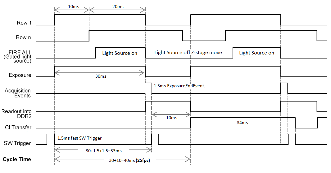
Compare the two diagrams below: The first diagram Rolling Shutter - Original Acquisition using SW Trigger. Example: 3-tap, RS, 560 MHz 30 ms exposure, full image. shows the situation prior to the introduction of the software events. In this case the user had to wait until the image frame was completely transferred to the PC before they received any notification that the exposure had completed. This results in a cycle time of approximately 79 ms or a frame rate of 12.6 fps, for this example. With acquisition software events (Rolling Shutter - New Acquisition using Events and Faster SW Trigger. Example: 3-tap, RS, 560 MHz 30 ms exposure, full image.)and in particular the ExposureEndEvent the user will be notified as soon as the exposure is complete in advance of readout completion. This in conjunction with faster SW trigger, means that the next acquisition can be started much sooner, resulting in an improvement in frame rate, 25 fps. In addition, the Fire ALL signal can be used to control light sources/z-stages.

Rolling Shutter - Original Acquisition using SW Trigger. Example: 3-tap, RS, 560 MHz 30 ms exposure, full image.

Rolling Shutter - New Acquisition using Events and Faster SW Trigger. Example: 3-tap, RS, 560 MHz 30 ms exposure, full image.